-
萬達機械
·投料輸送攪拌
WANDA MACHINERY
垂直振動提升機
產品類別:
投料輸送攪拌
產品描述:
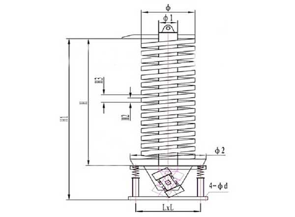
垂直振動提升機用途和特點本機對一切顆粒狀、塊狀、粉狀的固體物料(粘度不大)都可以輸送。因此可廣泛用于軍工、機械、化工、冶金、礦山、橡膠、塑料、輕工、制藥、食品加工、糧食、農牧等行業作為散狀物料的提升設備。>>點擊此處咨詢更多詳情WZCS系列垂直振動輸送機的驅動裝置振動電機安裝在輸送塔下部,兩臺振動電機對稱交叉安裝,輸送塔由管體和焊接在管體周圍的螺旋輸送槽組成,輸送塔座于減振裝置上,減振...
產品詳情
垂直振動提升機用途和特點
本機對一切顆粒狀、塊狀、粉狀的固體物料(粘度不大)都可以輸送。因此可廣泛用于軍工、機械、化工、冶金、礦山、橡膠、塑料、輕工、制藥、食品加工、糧食、農牧等行業作為散狀物料的提升設備。
WZCS系列垂直振動輸送機的驅動裝置振動電機安裝在輸送塔下部,兩臺振動電機對稱交叉安裝,輸送塔由管體和焊接在管體周圍的螺旋輸送槽組成,輸送塔座于減振裝置上,減振裝置由底座和隔振彈簧組成。當垂直輸送機工作時,根據雙振動電機自同步原理,由振動電機產生激振力,強迫整個輸送塔體作水平圓運動和向上垂直運動的空間復合振動,螺旋槽內的物料則受輸送槽的作用,作勻速拋擲圓運動,沿輸送槽體向上運動,從而完成物料的向上(或向下)輸送作業。
本機設計結構簡單、便于安裝和使用維護、能源消耗小、占地面積少,節省投資。
本機具有從下向上和從上向下輸送物料的功能。按不同的生產工藝要求制成開式或封閉式結構。封閉式輸送能防止有害氣體和粉塵溢散。根據用戶需要,改變本機結構,可以在輸送物料的同時,完成諸如冷卻、干燥、篩分等工藝過程。
?關于垂直振動提升機、圓形搖擺篩、方形搖擺篩、平面回轉篩、超聲波振動篩、除塵器等更多詳情,可隨時致電萬達機械詳詢!
相關產品
立即訂購
相關新聞
- 齊心協力,再創佳績-萬達機械年會盛典圓滿落幕... 2024-02-07
- 新鄉舉辦2023中原農谷首屆振動機械產業博覽會... 2023-08-26
- 2022中國(新鄉)振動篩分產業博覽會圓滿閉幕... 2022-09-06
- 超聲波振動篩與搖擺篩兩位同學的對話采訪... 2022-07-02
- 回轉篩與推拉篩到底一樣不一樣... 2022-06-24
- 圓形搖擺篩安裝調試注意事項... 2022-06-22
- 搖擺篩受歡迎的原因是它的優勢很突出... 2022-06-20
- 搖擺篩為啥能在市場上取得良好的表現... 2022-06-17
- 搖擺篩跟振動篩比有啥不一樣的優勢... 2022-06-15







豫公網安備 41071102000230號